Nearly every solar heating installation I have completed in recent years has included a solar-heated domestic hot water (SDHW) tank. The smallest systems sometimes include no other solar heating load. While the larger solar combi-systems may include radiant heated floors, hot water baseboards, swimming pools and other heating jobs – the SDHW tank is virtually always included.
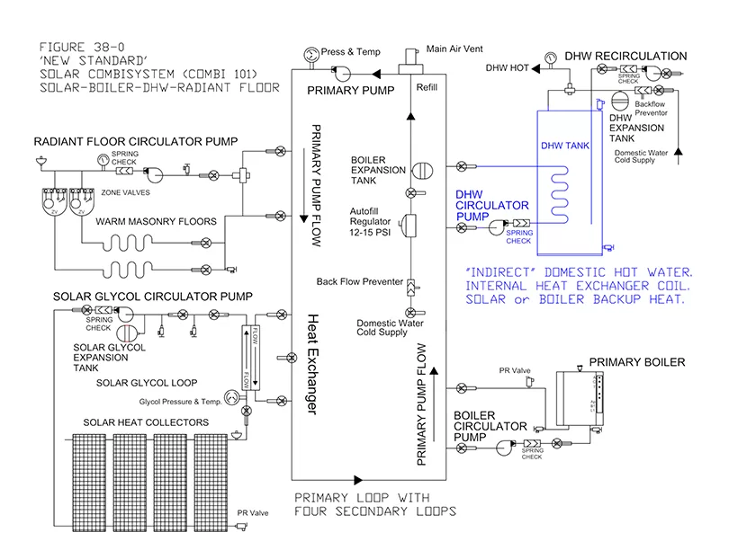
Figure 38-0 shows a schematic piping diagram of a new standard solar hydronic heating system, typical of the majority of whole-house systems installed for our clients. The recommended placement of the DHW tank is seen in blue. You will notice it is an indirect tank with an internal heat exchanger coil inside.
I tend to shy away from external solar heat exchangers in open water systems (such as this potable water example) because, in my region of Northern New Mexico, hard water is a fact of life. I lost count of the number of times I have pulled apart an old solar water heater and found the potable-water side of the original external heat exchanger completely clogged with minerals. The circulator pump was ruined for the same reason. The heat exchanger looks like someone filled it with concrete and, in some cases, this has happened in only a few years or so after installation.
These potentially troublesome external heat exchangers have been (and still are) marketed as a cost-saving way to convert a conventional DHW tank into a solar tank. But when this equipment clogs up and dies prematurely, where are the savings in that?
In situations where the long-term water quality may be questionable, the solution I have found to be reliable and effective is the in-tank heat exchanger. This type of heat exchanger continues to produce solar hot water year after year, even when the internal surfaces become coated with minerals. And there is no need for a water-side circulator since the heat exchanger is immersed in the potable water, inside the tank. My goal, as a solar hydronic designer, has always been to make the solar equipment last just as long as conventional equipment or longer. The in-tank heat exchanger has proven to live up to this expectation, typically with very low maintenance over a long service life.
I have no objection to using external heat exchangers in closed systems where the fluid remains clean because it is sealed up and recirculated throughout its normal operation. In fact, you can see an external heat exchanger in Figure 38-0, separating the outdoor solar glycol from the indoor boiler fluid (water), where both plumbing loops are closed systems.
Single or double wall
Many manufacturers of in-tank heat exchangers offer the choice of either a single-wall or double-wall coil construction. Single-wall heat exchangers have become more popular in recent years since nontoxic heat transfer fluid has become a common standard in solar hydronic systems. Single-wall construction is typically lower in cost and higher in thermal performance. These heat exchangers are usually permitted if they meet these three requirements:
- The heat transfer medium is potable water or contains only substances which are recognized as safe by the U.S. Food and Drug Administration (e.g., propylene glycol).
- The pressure of the heat transfer medium is maintained less than the normal minimum operating pressure of the potable water system.
- The equipment is permanently labeled to indicate that only additives recognized as safe by the FDA shall be used in the heat transfer medium.
A leak in a single-wall heat exchanger will cause the higher-pressure water to mix with the lower-pressure hydronic fluid, typically causing the hydronic pressure relief valve to discharge and diluting the hydronic fluid with water. When the toxicity of the hydronic fluid is in question, or the Administrative Authority prohibits single-wall for any other reason, a double-wall heat exchanger will usually pass inspection. It is best to confirm this detail with the relevant authority before ordering the tank.
Water heaters with double-wall heat exchangers meet the Uniform Plumbing Code for installation in all potable water systems. The double-wall construction provides protection in the event that either the potable or hydronic heat exchanger surface is penetrated. The fluid will move along an integrated leak-path between the walls of the heat exchanger, leaving the exchanger through a weep hole located in the fittings on the outside surface of the tank. In this way, any leak will become visible in the mechanical room on the plumbing connections on the tank.
Fin-tube coils
When most people think of a heat exchanger, they commonly think of tubes with fins. Finned coils are well-known since they have been in use inside boiler side-arm tanks for many decades (a.k.a. boiler indirect water heaters). Fins are added to small-diameter tubing to increase its outside surface area. The heat transfer of an immersed tube is driven only by the natural convection of the water surrounding the coil. Adding fins allows more liquid to make contact with the tube, increasing the amount of convection at any given time. The fin tubes are coiled and folded into a compact shape that will fit through a small access hole.
Figure 38-1 shows two examples of fin-tube tanks that have been used successfully in solar heating installations in the past. The Amtrol examples on the left are boiler side-arm tanks that have made an easy transition to the SDHW world. The Vaughn example on the right allows slightly easier removal of the coils through the side of the tank, rather than the top and bottom.
When exposed to hard water, mineral deposits will build up on and between the fins. While the fins may become completely covered by minerals, the heat transfer will slow down considerably but the system will still make hot water, as the fin-tubes heat the mineral coating by conduction, which in turn heats the water surrounding it.
In many cases found in the field, maintenance has been overlooked for a decade or more with significant mineral buildup. However, it is possible to remove the coils and dip them in cleaning solution to remove the mineral deposits. This procedure can be less frequent and less costly than repairing or replacing the clogged tubing and failed pump from an external SDHW heat exchanger.
Smooth-tube coils
Another way to increase the surface area of an immersed coil is to use a smooth tube with a larger diameter and no fins. An example is shown in Figure 38-2. An increasing number of these kinds of tanks emerged in the market in recent years, including a variety of high-quality, stainless-steel versions. For example, HTP, Caleffi, Viessmann, Stiebel Eltron and Heat-Flo provide smooth-coil tanks. These tanks show great promise in both longevity and thermal performance.
As the larger diameter tubing heats and cools during its daily routine, the metal surface expands and contracts. The smooth surface tends to break away from the mineral deposits, which can actually fall away from the tubing. So, the smooth tubing is more likely to be “self-cleaning” than the fin-tubing during thermal cycling. However, even when coated with minerals, the large, smooth surfaces will continue to provide heat to the surrounding water.
Another version of this can be seen in Figure 38-3, where a stainless-steel water tank is contained inside a second tank. The surface of the inner water tank itself becomes the smooth-tube, single-wall heat exchanger. The water tank is essentially immersed in a bath of hot hydronic fluid. If minerals build up, it is on the entire inside surface of the water tank.
Again, this will not stop the production of hot water in the tank. We have installed increasing numbers of tanks such as those seen in Figures 38-2 and 38-3 in recent years and they have lived up to our expectations so far.





_800x800_webp.webp?t=1775667064)



