The latest editions of the International Building Code (IBC) and the International Fire Code (IFC) require carbon monoxide (CO) detection for K-12 schools. This also applies to other building types, such as daycares serving children and young adults.
It’s with good reason. Upon inhalation, CO gas enters the bloodstream and interacts with hemoglobin, the blood protein transporting oxygen throughout the body. Oxygen levels decrease as CO increases, leading to asphyxiation symptoms such as dizziness, nausea and even death.
Children under the age of six have hemoglobin levels of about 9.5 to 14 g/dl (grams per deciliter) compared to 11.5 to 18 g/dl for adults, according to Ada Health (www.ada.com/hemoglobin-levels). Kids also have a higher respiration rate. This combination of factors leads to faster circulation of CO throughout the body, putting children at higher risk of serious illnesses even at low exposure levels.
With many K-12 facilities relying on gas-powered equipment for their energy needs and children spending eight or more hours within these spaces, it is crucial to understand how CO is created and how to prevent its accumulation within buildings.
Detecting the Undetectable
Dubbed the silent killer, CO is a poisonous gas devoid of color or odor produced through partial burning. Its presence in buildings often stems from malfunctioning gas-fired equipment such as furnaces and boilers. When operating normally, this equipment supports efficient combustion through the precise mixing of fuel and air.
However, if proper exhaust practices are not observed or when improper installation occurs, the likelihood of the development of CO gas increases. We will look at a few examples of how poor exhaust practices or improper maintenance related to the exhaust process can result in dangerous conditions.
Chapters 5 and 6 of the 2018 International Fuel Gas Code (IFGC) set forth requirements for venting of appliances and specific equipment such as fireplaces, boilers, water heaters, air-conditioning appliances and several others. Equally important to the venting requirements are the requirements for combustion air, ventilation air or dilution air.
These requirements are outlined in Section 304 of the IFGC. The exhaust process is not only about proper construction and routing of exhaust flues or vents, but also careful consideration to proper ventilation of the room containing the appliance and proper airflow to support the combustion process.
Where exhaust flues and vents do not comply with the requirements of the IFGC, creation and accumulation of hazardous gases can begin. If the flues and vents are not sloped properly or are not protected on the exterior of the building, the exhaust gases, typically heavier than air, can backdraft back toward the appliance and begin filling the room. A blockage at the exterior discharge can be caused by many things, including animals, snow, rubbish or an accumulation of brush.
While typical exhaust gases may not include CO, as they begin filling the room of the fuel-burning appliance, the oxygen levels begin to decrease. As discussed previously, a reduced oxygen level paired with the gas combustion process can lead to incomplete combustion. Once this partial combustion process begins, the CO gas begins to accumulate. While removing the typical combustion gases from a room is essential, the creation of CO gas can still occur, even when proper exhaust practices are followed.
Where an appliance requires exhausting or venting of combustion by-products, requirements for exhaust are important, but equally crucial are the requirements for proper ventilation of the area containing the fuel-fired appliance. When heavy gases need to be exhausted from a room, a positive pressure is required within the room, as well as sufficient airflow and oxygen supply to properly dilute the combustion gas (see Figure 1).

Section 304.5 of the IFGC outlines the minimum needs for indoor combustion air. The standard method is to provide a minimum air volume of 50 cubic feet/1,000 BTU/hour of the rated appliance input. Additional sections allow for further modifications or alternate methods that can be tailored to a specific appliance or indoor space.
Regardless of the method, maintaining these minimum air volumes is critical to the operation of the equipment and the safety of the building occupants.
Where ventilation or combustion air relies upon outdoor air and uses openings directly to the exterior, proper inspection and maintenance of the outdoor openings are critical. Similar to obstructions to exhaust flues and vents, obstacles to outdoor air openings can also lead to the creation of CO gas. If proper ventilation, whether indoor or outdoor, is not provided in the space containing the appliance, changes in air pressure and a decrease in oxygen levels will begin to facilitate incomplete combustion.
As noted, the impacts of improper exhaust and insufficient ventilation or combustion air will begin the production of CO gas in very similar ways. Creating a negative room pressure will physically pull exhaust air back into the room through the exhaust network. The accumulation of exhaust gases or the reduction of oxygen due to insufficient ventilation leads to a decrease in the efficiency of the combustion process, which then leads to the direct creation of CO gas.
Preventing Catastrophe
While the latest editions of the International Building Code and the International Fire Code require CO detection for new K-12 buildings, that stipulation doesn’t retroactively extend to existing K-12 schools. In fact, existing facilities are not covered by IFC, IBC or NFPA 101, Life Safety Code from a CO detection standpoint.
Despite the lack of detection requirements in these cases, safeguards can be put in place to ensure the proper functioning of appliances and to support the exhaust and ventilation process.
Several minor maintenance and inspection tasks can be performed to help identify and reduce the possibility of CO gas. First, visually inspect all exhaust and vent discharges in addition to all outdoor air-intakes and indoor ventilation openings. Any obstructions or accumulations on or around these openings should be cleared immediately. If continuous obstructions occur, steps should be taken to provide additional protections for these openings.
Visual inspection of appliances should also occur; any accumulation of liquids from or near the exhaust connections may indicate improper sloping of exhaust ducts. This accumulation of liquid can cause corrosion in the exhaust duct itself or on the appliance. Any damage to the exhaust duct or appliance should be remedied.
Lastly, as buildings and their systems age, their efficiencies decrease. When it comes to the ventilation of rooms containing gas-fired appliances, a room can, over time, change from a positive pressure to a negative pressure. Any time maintenance staff enter these spaces, attention should be paid to the force needed to open or close doors, as well as any rushing air movement when opening doors and entering the room.
If noticeable air movement occurs in the direction of the room, this could be an indication the room has a negative air pressure. This should lead to an investigation of the fuel-fired appliance, the exhaust and the ventilation of the room to ensure accumulation of hazardous gases has not occurred.
Physical failures between inspection periods can still result in the creation of CO gas, even when proper maintenance and inspection practices are followed. When preventative measures fall short, passive CO detection, alarms and automatic intervention can provide a necessary backup.
NFPA 72 – National Fire Alarm and Signaling Code contains CO detection design requirements (https://bit.ly/3njzW7H). The 2019 and 2022 editions provide the most current guidance for CO detection systems or alarms. Where a building is equipped with a fire alarm system, these CO detectors can be provided with location identifiers.
These identifiers, paired with some minor modifications to the plumbing or mechanical equipment gas supply line, can provide a quick and automatic shutdown of the equipment.
For example, a janitor’s closet with a gas-fired water heater would be provided with a CO detector connected to the building fire alarm system. Where CO gas is detected, the fire alarm system will annunciate that the CO detector within the janitor’s room has been activated. The fire alarm system would then be programmed to shut off the gas supply line serving the water heater. Once the fuel is removed, the combustion process is halted, and additional creation of CO gas cannot occur.
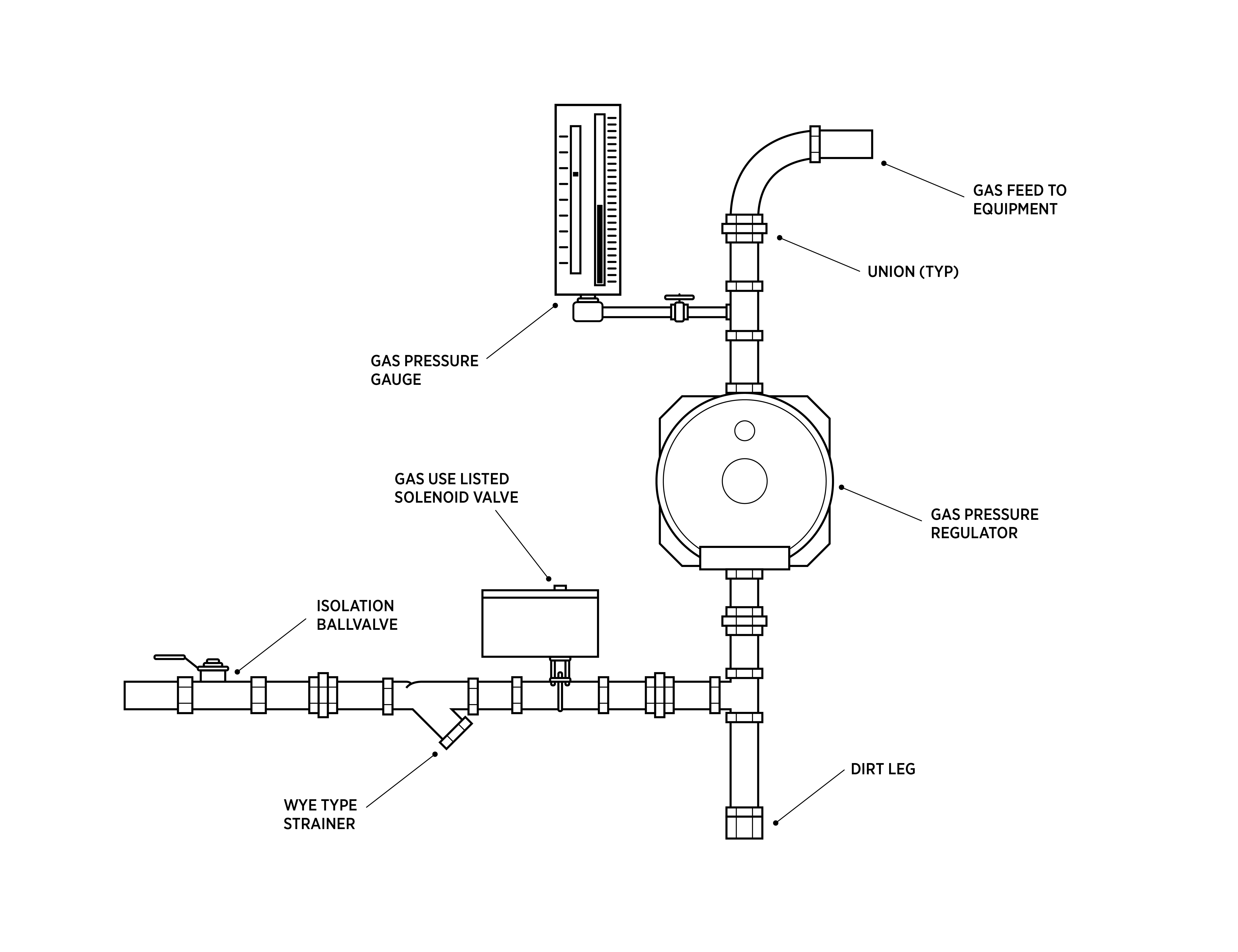
A typical installation for a water heater would not be capable of being shut down by the fire alarm system. It would require the addition of an electric solenoid valve and a wye-type strainer to be installed within the gas supply line (see Figure 2). The addition of this equipment will not negatively impact the performance of the unit but will provide an automatic means of isolating the equipment and limiting the level of hazardous gases.

Through education and training, building staff can be armed with the knowledge of how to prevent CO gas accumulation through preventative measures and inspections. With an intimate knowledge of the common causes of CO gas creation and the capabilities of a building’s fire alarm system, engineers can standardize methods of passive CO gas detection and automatic equipment shutdown.
These efforts are crucial in keeping students and other occupants of K-12 facilities safe.
Austin James is a fire protection technical manager at Henderson Engineers, a national building systems design firm.

_800x800_webp.webp?t=1775667064)



