The regulatory landscape and the leading U.S. organizations advancing the design and best management practices for onsite water reuse systems apply water treatment criteria based on the quantitative microbial risk assessment (QMRA) framework. The QRMA defines pathogen log reduction targets (LRTs) for pathogenic viruses, protozoa and bacteria. Two benchmarks that characterize the health risk are disability adjusted life years (DALYs, 10-6 per person per year) and infections (10-4 ppy).
The LRTs from both benchmarks were compared in the National Blue Ribbon Commission for Onsite Non-potable Water Systems (2023). Recently, the U.S. Environmental Protection Agency published a new report, Risk-Based Framework for Developing Microbial Treatment Targets for Water Reuse (2025), which applied this framework using an updated set of input parameters to report state-of-the-science LRTs.
The treatment train describes the performance of multi-barrier processes to target and remove these pathogens to achieve LRTs. Common treatment processes include microfiltration, ultrafiltration (UF), membrane biological reactor, ultraviolet (UV) light disinfection, ozone disinfection, and/or chlorination. Treatment trains treat blackwater, graywater and stormwater for water reuse both indoors and outdoors.
To implement the risk-based framework, treatment processes are each credited to achieve log reduction credits (LRCs) based on their validated pathogen removal within a specified operational window. The sum of LRCs through the treatment train must meet the specified LRTs.
A key component of these systems is continuous process monitoring, in which surrogate parameters are used to ensure that each process remains within its validated performance range. In doing so, burdensome testing of effluent water quality (e.g., daily coliform testing) is not required from a risk management standpoint. Confidence is achieved through reliability of the treatment processes as demonstrated by real-time sensors.
In two separate articles, I will examine case studies that have implemented this risk-based approach and the technologies used to satisfy the benchmark. The first article will consider Mission Rock, which uses a blackwater treatment system; the second will consider 1550 Mission, which uses a graywater treatment system. Both are located in San Francisco.
Mission Rock’s blackwater treatment system
Mission Rock is a mixed-use neighborhood in the Mission Bay neighborhood of San Francisco spread over 28 acres, including parks, open space, residential, commercial and retail buildings (see Figure 1). To comply with San Francisco’s Non-potable Water Ordinance, Mission Rock constructed San Francisco’s first district-scale blackwater treatment system.
Located on the ground floor of one of the development’s office buildings, the blackwater system is an advanced water recycling facility treating the blackwater from the Mission Rock development to meet the non-potable water needs of Mission Rock buildings and open space. The blackwater consists of wastewater collected from the development’s toilets, showers, sinks and clothes washers. The primary non-potable water needs of the site are irrigation, toilet and urinal flushing, along with cooling tower makeup water.
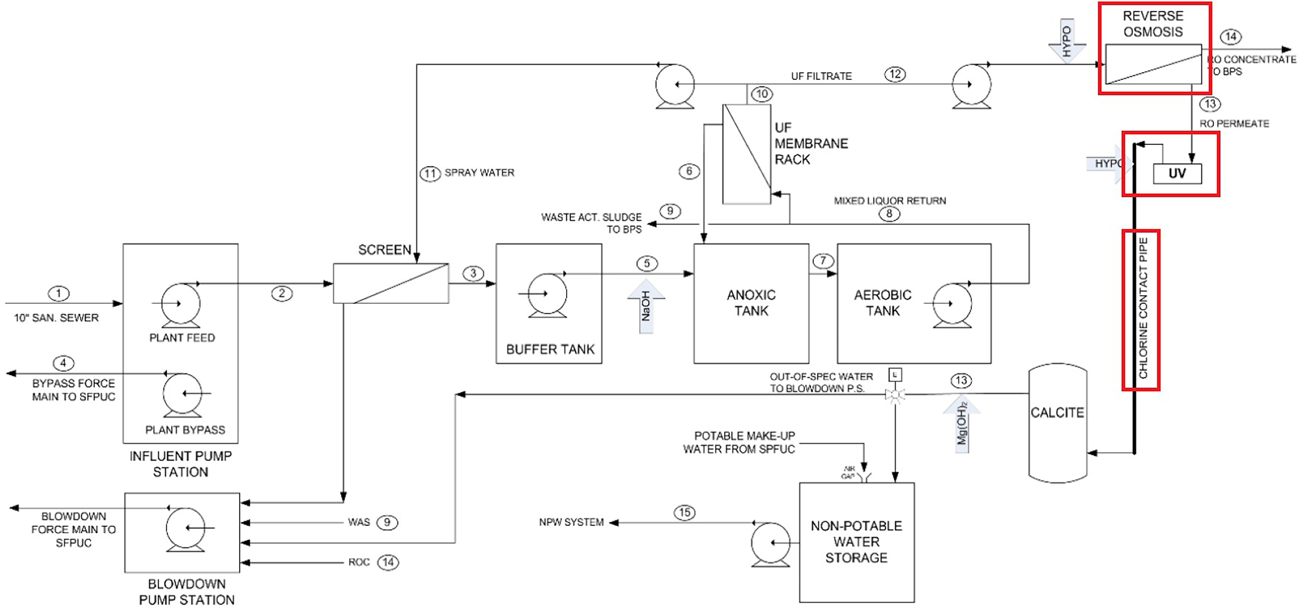
Figure 2 illustrates the overall system concept for onsite non-potable water reuse. To meet the LRTs, the treatment train consists of three key components outlined in red: reverse osmosis (RO), ultraviolet disinfection (UV), and chlorine disinfection. Prior to the treatment train, the wastewater is processed to provide a high-quality treated effluent to feed directly into the treatment train.

The blackwater prescreen is the first step in the treatment process, designed to remove as much of the suspended solids and the biochemical oxygen demand as possible before the raw blackwater enters the buffer tank. It is a screw conveyor that separates the solids from the liquid, with only the liquid passing through to the buffer tank.
After passing through the prescreen, the wastewater is held in a buffer tank after which the effluent is processed through a multichamber bioreactor consisting of two tanks, anoxic and aerobic, and UF membranes. The anoxic and aerobic tanks promote denitrification (the conversion of nitrate to nitrogen gas) and nitrification (the conversion of ammonia to nitrate) to remove harmful nitrogen compounds and reduce sludge.
The anoxic tank is a low-oxygen environment in which certain bacteria consume nitrates as their source of oxygen. This is the denitrification part of the process (the removal of nitrogen).
The aerobic tank has air diffusers and blowers located at the bottom to force air into the tank. Different forms of bacteria thrive in this environment and consume the carbonaceous materials in the wastewater. The bacteria convert the organic matter to biomass and off-gas carbon dioxide. Small amounts of hydrogen sulfide gas can also be produced. The process is critical to reducing the amount of activated sludge in the treatment process.
The activated sludge is then pumped to the UF membrane and filtered out. When the activated sludge layer gets too thick, a valve is opened to allow the sludge to flow to the sanitary sewer piping beneath the street. The UF membrane system is comprised of the membrane operating system (MOS) and the UF membrane (Figure 3).
![]() |
![]() |
The MOS serves as the operating brains of the UF membrane, and is equipped with sensors, pumps and a detection device to notify when to backwash the membrane filters. During backwash, it directs the activated sludge back to the anoxic tank or to the sanitary system.
The critical control points
Several critical control points require continuous monitoring to verify compliance with treatment parameters.
1. The membrane operating system. The MOS is the first critical control point that continuously monitors the turbidity of the effluent sent to the RO system, which follows the UF membrane. The membrane filters sludge, solids and bacteria out from the waste stream. It also provides high quality treated effluent to feed directly to the RO process.
The membrane is designed to achieve complete nitrification, which will result in a predicted reduction in effluent ammonia concentration. Sodium hypochlorite is added to this effluent upstream of the RO membranes to limit biofouling on the RO.
While the membrane bioreactor system can be granted pathogen-reduction credits, those credits are not being sought for in this facility, primarily because operating with a minimum transmembrane pressure of 3 kPa (0.5 psi) may be challenging to monitor when operating with a clean membrane at low flow (and thus low flux).
2. The reverse osmosis unit. The first component of the treatment train is the RO unit (Figure 4). Any remaining impurities that have made it through the UF membranes in the MBR will be filtered out in the RO process. The RO unit achieves a minimum of 1-log or 90% conductivity removal. This second critical control point continuously monitors conductivity in the feed and permeate to verify compliance in meeting log reduction credits.

3. Ultraviolet disinfection. From the RO unit, the effluent is processed through UV disinfection, which provides a dose of 120 millijoules per square centimeter (mJ/cm2) to meet the log reduction targets (see Figure 5). This is the first step in the disinfection process.

The water is exposed to UV light, which sterilizes the water. This third critical control point continuously monitors hours of bulb use and activates a non-critical alarm at 10,000 hours of bulb use. If the bulb is not replaced, it will shut down after 12,000 hours of use.
The flow rate is also monitored for effective exposure to UV. Ultraviolet transmittance is also monitored to measure the amount of UV light able to pass through a water sample. Sodium hypochlorite is also added downstream of the UV unit. Ammonia concentrations at this point (RO permeate) are very small to non-existent.
4. Chlorine dosing. After UV disinfection, the water is dosed with chlorine to achieve 2.5 log virus removal (see Figure 6). The system is designed to operate with a 1.0 mg/L free-chlorine residual at the outlet of the chlorine contact pipe, and ultimately the feed to the non-potable water tank. To achieve 2.5 log virus removal, a chlorine target value of 2.5 mg/L-min is required. This fourth critical control point continuously monitors the chlorine target.

Not shown in Figure 2 is a recirculation system from the non-potable water storage tank to the chlorine skid to maintain the level of chlorine dosing so that it remains disinfected as it travels through the piping in the building to the reuse applications.
The LRTs required for the blackwater treatment train are 8.5 for enteric viruses, 7.0 for parasitic protozoa, and 6.0 for enteric bacteria. The credits achieved for the blackwater treatment train are shown in Table 1.

The last processing component before the water enters the non-potable water storage tank to be pumped for reuse is calcite treatment. The calcite is used to remineralize the water. Post-RO, the water is aggressive without minerals making it corrosive. Without the calcite remineralization, the water would corrode the pipe and fixtures as it traveled through the building to the reuse application.
The total blackwater inflow at the facility is approximately 64,000 gallons per day, with a maximum design capacity of approximately 43,000 gallons of recycled non-potable water per day. The total potable water use reduction is 11.8 million gallons per year.
The project driver for implementing Mission Rock blackwater treatment plant is to comply with San Francisco’s Non-potable Water Ordinance. Additionally, the Mission Rock project is participating in the San Francisco Eco-District program. Eco-Districts are neighborhood scale public-private partnerships that strengthen the economy and reduce environmental impacts while creating a stronger sense of place and community. The Mission Rock development is looking to maximize this potential to deliver a sustainable, low-carbon neighborhood.
To strengthen the project’s commitment to sustainability, Mission Rock included a Sustainability Strategy as a component of their Disposition and Development Agreement. Mission Rock’s Sustainability Strategy provides a comprehensive approach to achieve Mission Rock’s goal of becoming a model for sustainable development in the city.
Multiple sustainable site strategies have been evaluated to inform the targets and strategies included in the Sustainability Strategy. Important performance goals related to the district utilities include meeting 100% of building energy demands with renewable energy, reducing green-house gas emissions by 50% from the average development in San Francisco, and meeting 100% of non-potable water demands with non-potable sources.
Daniel Cole is the senior director of technical services and research at the International Association of Plumbing and Mechanical Officials (IAPMO). He was a licensed journeyman plumber, contractor, plumbing inspector and plan reviewer in Illinois. Cole is a member of the American Society of Plumbing Engineers (ASPE), serving on the ASPE Main Design Standards Committee. He received the ASPE Award of Scientific Achievement in 2018 for revising Hunter’s Curve. He also steered two working groups in the development of onsite blackwater and stormwater treatment systems in WEStand, published articles on onsite treatment methods, and presented on this topic at CIB International Symposium.



_800x800_webp.webp?t=1775667064)



